RG2 series
RG2 series
Regulator specialized for small size and light weight(33g[0.07]).
Features
- The most compact construction and weight about 33g allows the best installation in saved space and compact design without care about its weight.
- Excellent performance as air precision regulators at a small flow rate of 5L/min(ANR) or less.
- Extremely little leakage.
Applications
- Ideal for applications that are compact and require pressure characteristics.
Application
moreSpecifications

Model designation

Characteristic

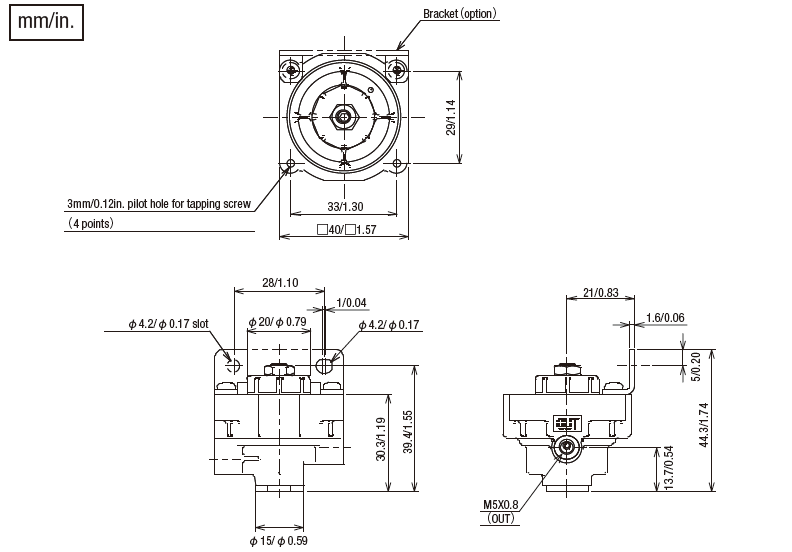
Dimensions

CONTACT
CONTACT US
Fujikura Composite aims to provide swift and precise support to ensure our customers can use our products with complete peace of mind.
-
TEL
03-5747-9223Hours:9:00~17:00(Weekday)
-
Inquiry
Contact Us