RV・S series
RV・S series
’RV.S series'' has high accuracy of pressure as vacuum regulator. Direct acting type allows little air leakage, and an efficient controlling of pressure from primary side.
Pipe port size:1/4
Features
- Available to control degree of vacuum with high accuracy at sensibility 0.13kPa(1mmHg)[0.019psi], repeatability 0.3kPa(±2.2mmHg)[0.044psi] or under.
- Output pressure is almost not affected (within 0.5% F.S) by. supply pressure variation.
- Applicable for use with large flow because of its maximum flow rate 270/min (normal)[9.5scfm].
- This regulator responds sensitively against regulated pressure variations.
Applications
- ”RV.S series” is ideal for applications requiring high precision, high flow rate vacuum control.
Specifications

Model designation

Characteristic

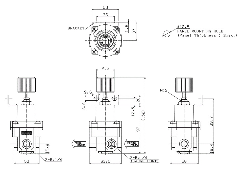
Dimensions

PRODUCT
Products in the same category
-
RV series
- Factory automation
’RV series'' has high accuracy of pressure as vacuum regulator. Direct acting type allows little air leakage, and an efficient controlling of pressure from primary side.
Port size:1/4 , 3/8 -
RV2 series
- Factory automation
'RV2 series'' is the most compact type in vacuum regulator.It has almost same characteristic as ''RV series'' in the area with low pressure and small flow rate.
CONTACT
CONTACT US
Fujikura Composite aims to provide swift and precise support to ensure our customers can use our products with complete peace of mind.
-
TEL
03-5747-9223Hours:9:00~17:00(Weekday)
-
Inquiry
Contact Us