VFR series
VFR series
Integration with our regulator ''RG2'' alleviates the influence of primary pressure fluctuation.
Features
- Flow rate is easy to setting by current control.
- The flow rate can be steplessly changed by the current value.
- Hysteresis is less and reproducibility is good.
- PWM control is possible.
Applications
- Medical equipment
Fine flow rate control of various medical equipment, respirator, anesthesia machine and so on.
It is suitable for applications requiring compact and highly accurate pressure characteristics.
Specifications

Model designation

Characteristic

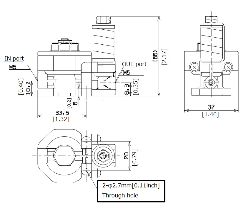
Dimensions

CONTACT
CONTACT US
Fujikura Composite aims to provide swift and precise support to ensure our customers can use our products with complete peace of mind.
-
Inquiry
Contact Us