RPシリーズ
RPシリーズ
直動式としては他に類をみないほどの精密な圧力設定が可能です。
特徴
- 高精度制御
繰り返し再現性±0.5%F.S.の高精度の空気圧制御が可能です。 - 優れた圧力特性
1次圧変動に対して出力圧変動は5kPa以内です。 - 直動式のノンブリード・タイプ
直動式としては他に類を見ないほどの精密な圧力設定が可能です。またノンブリード・タイプですので、零からの圧力調整が可能です。
用途
- 低圧の圧力制御が必要な用途に最適です。
- 窒素や炭酸ガスなど大気開放ができない用途にノンリリーフタイプがご使用になれます。
分子量の少ないガスや腐食性ガスなどは御相談ください。
仕様
| リリーフ有り | RP-0.2-2 | RP-0.3-2 | RP-0.5-2 | RP-2-2 | RP-4-2 | RP-7-2 | |
| リリーフ無し | RP・NR-0.2-2 | RP・NR-0.3-2 | RP・NR-0.5-2 | RP・NR-2-2 | RP・NR-4-2 | RP・NR-7-2 | |
| 使用流体 | 圧縮清浄空気 | ||||||
| 圧力設定範囲 Mpa | 0~0.02 | 0~0.03 | 0~0.05 | 0~0.20 | 0~0.40 | 0~0.70 | |
| 一次側圧力範囲 kPa | 0.5MAX | 1MAX | |||||
| 繰り返し再現性 %F.S. | ±0.5以内 | ||||||
| 感度 %F.S. | 1.5以内 | 1.3以内 | 1以内 | 0.5以内 | 0.3以内 | ||
| 使用温度範囲 ℃ | 5~60 | ||||||
| 配管接続口径 Rc | 1/4 | ||||||
| 圧力計接続口径 Rc | 1/4(2カ所) | ||||||
| ブラケット | 標準装備 | ||||||
| 質量 kg | 0.41 | ||||||
■オプション
圧力計
| 型式 | レンジ | 最小メモリ |
|---|---|---|
| G025 | 0~0.25MPa | 0.005MPa |
| G060 | 0~0.6MPa | 0.01MPa |
| G100 | 0~1.0 | 0.02MPa |
- 精度 ±1.6%F.S.
- 接続口径 R1/4
- サイズ Φ51.8mm
- 重量 125g

型式表示方法

特性

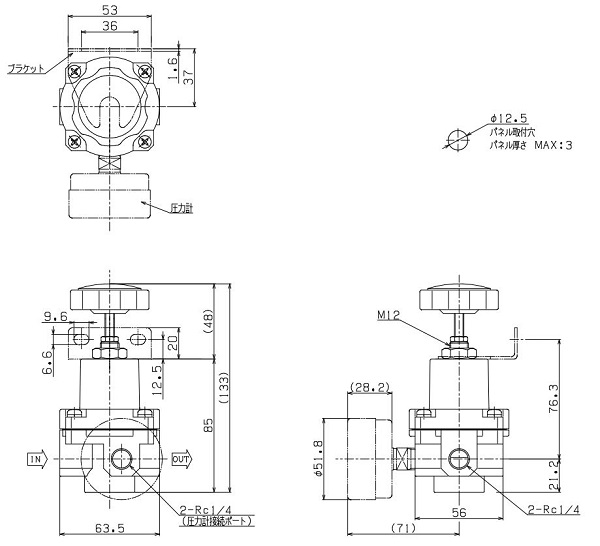
外形寸法図

PRODUCT
同じカテゴリーの製品
CONTACT
お問い合わせ
藤倉コンポジットは製品を安心してご使用頂く為に
迅速かつ的確なサポートを目指しています。
-
メールでのサポート
お問い合わせフォーム