RV・Sシリーズ
RV・Sシリーズ
高精度制御に対応した真空レギュレータ。
(RVシリーズよりコンパクトになります。)
配管口径:Rc1.4に対応。
特徴
- 高精度制御
感度0.13kPa(1mmHg)、繰り返し再現性0.3kPa(2.2mmHg)の高精度の真空度制御が可能です。 - 優れた圧力特性
1次圧変動に対して設定圧の変動1.3kPa(10mmHg)以内です。 - 大流量タイプ
流量270 l/min(normal)まで流せますので、大流量の用途にも対応できます。 - 応答性良好
2次側の圧力変動に対して敏感に応答します。
用途
- 高精度、大流量の真空度制御が必要な用途に最適です。
仕様
| 製品名 | RV・S-1-2 |
|---|---|
| 使用流体 | 圧縮清浄空気 |
| 圧力設定範囲 kPa(mmHg) | -1.3~-100(-10~-750) |
| 感度 kPa(mmHg) | 0.13(1) |
| 繰り返し再現性 kPa(mmHg) | ±0.13(±1)以内 |
| 使用温度範囲 ℃ | 5~60 |
| 流量 ℓ /min(ANR) | 200 |
| 配管接続口径 Rc | 1/4 |
| ブラケット | 標準装備 |
| 重量 kg | 0.5 |

型式表示方法

特性

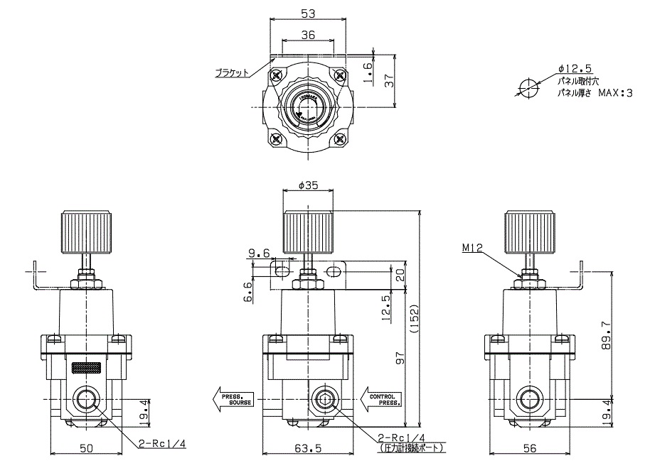
外形寸法図

PRODUCT
同じカテゴリーの製品
CONTACT
お問い合わせ
藤倉コンポジットは製品を安心してご使用頂く為に
迅速かつ的確なサポートを目指しています。
-
お電話でのサポート
03-5747-9223受付時間:9:00-17:00(平日)
-
メールでのサポート
お問い合わせフォーム