VFシリーズ
VFシリーズ
PWM制御が可能な流量制御弁。
特徴
- 電流により流量コントロールが容易に可能です。
- 流量は電流値により無段階に変化できます。
- ヒステリシスが少なく再現性が良いです。
- PWM制御が可能です。
用途
- 医療機器
各種医療機器、呼吸器、麻酔器等の微少流量制御
コンパクトで高精度の圧力特性が必要な用途に最適です。
仕様
| 製品名 | VF-4-M |
|---|---|
| 二次側流量調整範囲 | 7L/min(圧力20kPa時) |
| 使用温度範囲 ℃ | 5~50 |
| 電力消費量 W | 2以内(DC12V時) |
| 入力信号範囲 mA | 120Max. |
| 抵抗値 Ω | 47 |
| ケーブル値 mm | 470 |
| ケーブル径 AWG | 26 |
| 配管口径 | マニホールド |
型式表示方法

特性

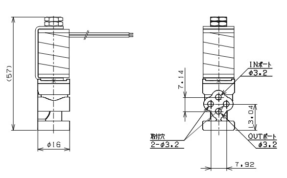
外形寸法図

CONTACT
お問い合わせ
藤倉コンポジットは製品を安心してご使用頂く為に
迅速かつ的確なサポートを目指しています。
-
メールでのサポート
お問い合わせフォーム