アクティブ除振台
アクティブ除振台
弊社ベローズ式空気ばねを採用した高荷重タイプになります。
高除振特性と薄型化を両立。
特徴
- 優れた応答性
レスポンスの良い薄膜ベローズと大流量アクチュエータにより,装置上で大きい荷重の移動ステージが動いた場合にも,ストローク変動が小さく抑えることが可能です。 - 薄型形状
薄型ベローズ方式を採用しているため,薄型の除振装置構造になっております.FVH-2400Fでは、高さ169mm(ニュートラル時)を実現しました.その為,搭載する装置の重心を低く抑えることが可能です.
用途
- 精密装置の床振動軽減
半導体製造装置、半導体検査装置、液晶露光装置、精密測定装置、精密加工機、その他精密機器等
基本仕様(高荷重タイプ)
| FVH-2400F/P | |
| 脚構成 脚 | 4 |
| 搭載質量範囲 Kg | 20,000~30,000 |
| ストローク mm | 鉛直方向1~7 / 水平方向±2 |
| 供給圧力(流量) MPa(L/min(ANR)) | 0.6~1.0(170以上) |
| 消費電力 VA | 1,520 |
| 固有振動数 Hz(パッシブ計算値) | 鉛直方向3.7~5.5 / 水平方向3.2~5.0 |
ベローズ式空気ばねについて
ダイヤフラムの製造技術を基に、非常に薄肉でありながら高い耐久性を有したベローズ式空気ばねを開発し本装置に採用しております。

制御仕様(高荷重タイプ)
| FVH-2400F | |
| 鉛直(Z)方向 制御方式 | 位置・減衰 |
| 水平(X・Y)方向 制御方式 | 位置・減衰 |
| 制御自由度 | 6自由度(X,Y,Z,θX,θY,θZ) |
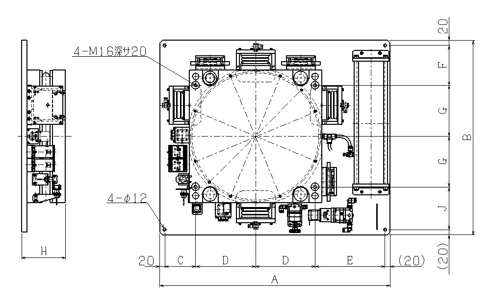
外形寸法図

■各除振マウント寸法表
| 寸法[mm] | FVH-2400F |
|---|---|
| A | 1000 |
| B | 850 |
| H | 169 |
| C | 1285 |
| D | 270 |
| E | 2915 |
| F | 200 |
| G | 1985 |
| J | 213 |
PRODUCT
同じカテゴリーの製品
CONTACT
お問い合わせ
藤倉コンポジットは製品を安心してご使用頂く為に
迅速かつ的確なサポートを目指しています。
-
メールでのサポート
お問い合わせフォーム