FPUシリーズ
FPUシリーズ
コンパクト形状の圧力センサー。
特徴
- 小型な本体に増幅回路・温度補償回路を収納感圧素子として駆動、増幅、温度補償、出力校正回路をセンサと同一のワンチップ上に形成することで小型化したピエゾ抵抗式半導体圧力センサです。
- コンパクト形状のため、狭いスペースにも容易に取り付けできます。またナット部とケース部が回転する構造であるため、ケーブル捩れのない取り付けが可能です。
用途
- 一般精密機械
半導体、工作機械等幅広い分野にて使用可能です。
仕様
| 製品名 | FPU500-KPG-FR1 |
|---|---|
| 定格圧力レンジ MPa | 0 ~ 0.5 |
| 耐圧力 kPa | 1.0 |
| 圧力の種類 | ゲージ圧 |
| 適用流体 | 非腐食性気体 |
| リーク量 | 500[kPa]加圧時の圧力低下量 0.1[kPa]/分以下 |
| オフセット電圧 VDC | 1.0 ± 0.1(at 25℃) |
| スパン電圧 VDC | 4.0 ± 0.1(at 25℃) |
| 出力インピーダンス kΩ | 1.0 ~ 5.0 |
| ソース電流 mA | 0.2以下 |
| シンク電流 mA | 2.0以下 |
| 繰り返し制度 %F.S. | ±0.2 |
| 直線性 %F.S. | ±0.3 |
| ヒステリシス %F.S. | ±0.2 |
| 温度特性 %F.S. | 温度特性%F.S 0~50℃の温度範囲で、25℃の特性に対して、±2.5%F.S.以下 |
| 出力応答性 msec | 2以下 |
| 使用温度範囲 ℃ | -10 ~ 70 |
| 保存温度範囲 ℃ | 0 ~ 50 |
| 精度保証温度範囲 ℃ | -30 ~ 85 |
| 保存湿度範囲 %RH | 35 ~ 85(但し、結露及び氷結しないこと) |
| 電源電圧 VDC | 11.0 ~ 24.0 |
| 消費電流 mA | 定格圧力レンジ内、上記電源電圧間で13以下 |
| 絶縁抵抗 Ω | 100以上(接続ナット・電線一括DC500V) |
| 絶縁耐圧 | AC1500 1分間(接続ナット・電線一括) |
| センサヘッド重量 g | 15 |
| ケーブル仕様 | 種類:AWG28色、色:艶消し黒、 難燃性:VW-1SC、太さ:Φ4、シールド有り |
| 材質 | ケース、蓋、ケーブル押さえ:PBT(UL94-HB) 接続ナット:SUS304 基板材:FR-4(難燃性グレード:UL94-V0) 接着剤:エポキシ接着剤 |
| 適用流体 | 非腐食性気体 |
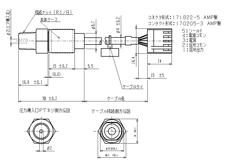
外形寸法図
注)シールド線と内部回路は非接続です

CONTACT
お問い合わせ
藤倉コンポジットは製品を安心してご使用頂く為に
迅速かつ的確なサポートを目指しています。
-
メールでのサポート
お問い合わせフォーム