RR系列
RR系列
与他社加压阀相比,输入压力通过先导压力设定出口压力的气动调压型减压阀
特徴
压力控制方式采用了滚动膜片与计量膜盒,因为采用了伺服平衡方式可以进行超精密的压力控制。
RR系列是,通过正负偏置调整可以进行输出压力1:1的精密压力控制。
- 高精度制御
灵敏度0.1%F.S.、可以进行反复再现性±0.1%F.S.的高精度控制。 - 优异特性
拥有非常优秀的泄压特性、压力特性、流量特性。特别是,泄压最小压力(泄压敏感度)0.03kPa(理论计算值)张力控制,气动平衡等用途最适用。 - 优异的始动安定性
长时间不动作后、不需要再调整压力设定。
用途
- 张力控制
与BF气缸(SC系列)组合使用
印刷包装机械、纸工机械、塑料薄膜加工机械、纤维机械 等 - 推压控制
与BF气缸(FC系列)组合使用
研磨机、摩擦试验机、土质试验机、膜切机 等 - 容量增压
计量设备阀体控制 等 - 通过遥控操作进行2次压力设定
其他,气动平衡装置,、空压测微仪、泄露检测,点胶机械 等用途最适用。
规格

型式表示方法

特性

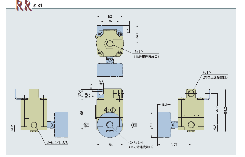
外形寸法図

CONTACT
咨询
藤仓复合材料致力于提供迅速、准确的支持,确保客户能够放心使用我们的产品。
-
电话援助
0571-86840997营业时间:9:00-17:00(平日)
-
邮件支持
咨询