RP系列

RP系列

  • FA

作为直动型,可以达到其他产品无以类比精密压力设定

特徴

  • 高精度控制
    可以实现反复再现性±0.5%F.S.空气压力控制。
  • 优异的压力特性
    进口压力变化出口压力变化范围在5kPa以内。
  • 直动式無溢流型
    作为直动型,可以进行其他产品无与类比的精密压力设定。又因为是无溢流型,可以从零开始起调。
  • 接触气体部分不使用润滑油。

用途

  • 最适用于有必要低压压力控制的用途。
  • 氮气,碳酸气体等不可以向大气排放的用途,请使用无排气型。
    分子量较少的气体,腐蚀性气体的用途,请洽谈。

规格

型式表示方法

特性

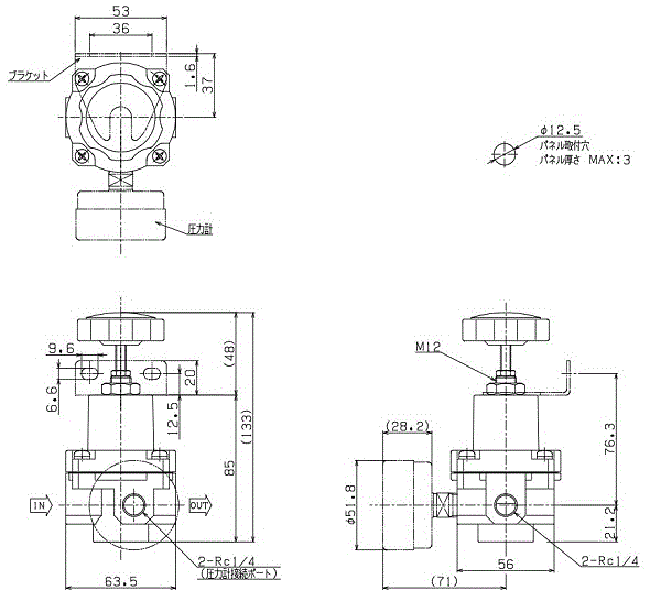
外形寸法図

CONTACT

咨询

藤仓复合材料致力于提供迅速、准确的支持,确保客户能够放心使用我们的产品。

产品目录
下载