RT系列
RT系列
利用电器信号设定压力值的调压阀。
特徴
- 高分辨率
可以对应分辨率在0.1%F.S以下的高精度的精密压力控制。 - 高精度控制
可以在直线性1.5%F.S.、迟滞1.0%F.S.的高精度空气压力控制。 - 超群的压力特性
对于1次压力变动出口压力变动区间在0.5%F.S.以内。 - 流量特性
与通常的减压阀同样可以确保空压设备直接作动的流量。又,对于间断负载也可以将再现性控制在0.5%F.S.以内。 - 不需电源
开环控制不需要电源。 - 安装方式
自由安装没有限制。但是有必要调整零点,与间距。 - 宽领域调整范围
根据间距螺栓调整,RT・E/P-8-2は0.65~0.82MPa、RT・I/P-8-2は0.24~0.82MPa的范围内,改变各自的间距点。
用途
- 采用浮辊的张力控制
- 点焊熔接枪的压力控制
- 采用气动刹车的张力控制
- 研磨机械的推压控制各种流体的点胶控制
- 平衡装置,升降装置的压力控制
- 控制阀的空气压力控制
- 机器人手臂力的控制
- 程控涂装的场合所使用的涂布量的控制
规格

型号表示方法

特性

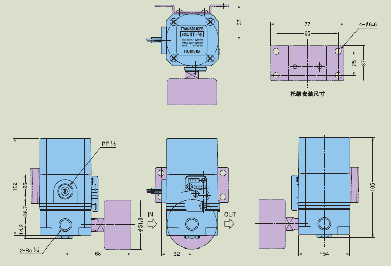
外观尺寸图

PRODUCT
同类产品
CONTACT
咨询
藤仓复合材料致力于提供迅速、准确的支持,确保客户能够放心使用我们的产品。
-
电话援助
0571-86840997营业时间:9:00-17:00(平日)
-
邮件支持
咨询