■AC系列 超薄型型号
■AC系列 超薄型型号
薄型气缸:滑动阻力为0,摩擦损耗为0
- 47mm×47mm×22mm的薄型型号
- 导杆部分采用空气轴承。
- 由于导杆与导环之间无接触,因此不存在摩擦阻力,可实现超精密的压紧控制。此外,也不会产生磨损或扬尘。由于导杆与导环之间无接触,因此不存在摩擦阻力,可实现超精密的压紧控制。此外,也不会产生磨损或扬尘。
- 可定制形状。
■应用程序
- 传统气缸无法实现的精密压紧控制。
- 半导体制造设备内的精密压紧控制。

| 工作形式 | 单动式 |
|---|---|
| 缸径 mm | 20 |
| 行程 mm | 5 |
| 使用介质 | 压缩洁净空气 |
| 工作压力范围 MPa | 0.01~0.6 *1 |
| 工作温度范围 ℃ | 0~60(但不可结冰) |
| 轴承方式 | 金属烧结体 |
| 有效受压面积 | 314 |
■模型
ACS-20-5
■特性

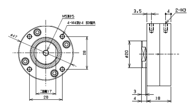
■外形

CONTACT
咨询
藤仓复合材料致力于提供迅速、准确的支持,确保客户能够放心使用我们的产品。
-
电话援助
0571-86840997营业时间:9:00-17:00(平日)
-
邮件支持
咨询