FRM2 series
FRM2 series
External cracking pressure adjustment model.
It can also be used for solvents.
Features
- Designed to reduce risk of outside-leak better than FRM1.
- As seal material. EPDM, kalrez are available in chemical, solvent and corrosive fluid.
- Setting of cracking pressure is controllable. (Pressure setting is done before shipping)
- High flow rate model.
Applications
- Machine Tools:Milling machine, NC lathe, laser processing machine etc.
- Industrial furnace:General industrial furnace, heating furnace, vacuum furnace, etc.
- Medical:Endoscope washing device, oxygen concentrator, anesthesia machine etc.
- Analysis equipment:Measurement equipment, component gas analysis, gas analyzer etc.
- Battery:Household fuel cell, secondary battery, gas engine etc.
- Water (liquid) treatment: Pure water production, pure water recycling.
- Gas generator related: Compressor, compact pressure vessel, various gas generator etc.
- Others: Oxygen capsule, gasoline measuring instrument, forklift etc.
Application
moreSpecifications

Model designation

Characteristic

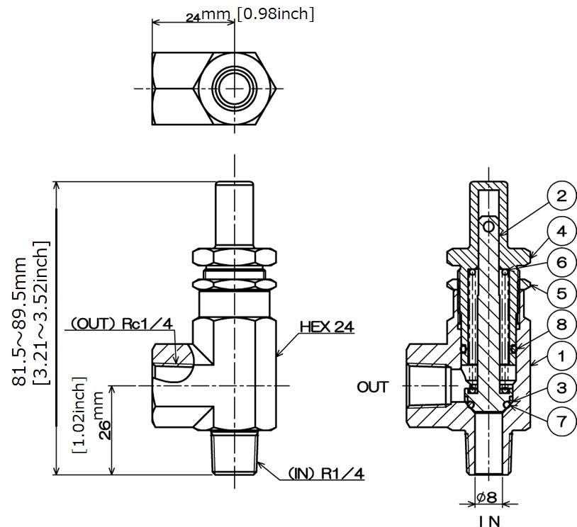
Dimensions

PRODUCT
Products in the same category
-
FRA series
- Factory automation
Low pressure atmospheric open model.
-
FRL series
- Factory automation
Low pressure inline model.
-
FRC series
- Factory automation
Deflector cap (low pressure air relief) model.
-
FRHA series
- Factory automation
High Pressure Atmospheric Open model.
-
FRHL series
- Factory automation
High pressure in-line model
Corresponds to compressed air and liquid. -
FRM1 series
- Factory automation
External cracking pressure adjustment model.
-
VR1 series
- Factory automation
Low Pressure atmospheric Open model.
CONTACT
CONTACT US
Fujikura Composite aims to provide swift and precise support to ensure our customers can use our products with complete peace of mind.
-
TEL
03-5747-9223Hours:9:00~17:00(Weekday)
-
Inquiry
Contact Us