【バックナンバー】超小型減圧弁「RG3.NR-50-M5」のご紹介
- ニュースレター
このコラムの目次
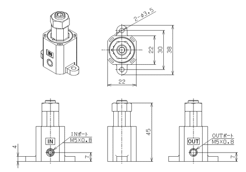
藤倉コンポジットは、圧力特性に優れた省スペースの超小型減圧弁「RG3.NR-50-M5」の販売を決定いたしました。
親指程度のサイズに設計されたこの革新的な製品は、極めて狭いスペースへの設置を可能にし、装置の大幅な省スペース化を実現します。特に流量5L/min以下の領域において優れた性能を発揮します。
医療機器、分析機器、産業機器、設備機器、卓上装置など、幅広い分野での活用が期待されます。藤倉コンポジットの過去の製品は、酸素濃縮器などの重要な医療機器に採用されており、その信頼性と性能の高さが実証されています。小型でありながら高精度な圧力制御を実現する「RG3.NR-50-M5」は、特に医療機器市場において大きな可能性を秘めており、装置の小型化・高性能化に貢献します。
超小型減圧弁を通じて、様々な産業分野での技術革新をサポートし、お客様のニーズに合わせた最適なソリューションを提供してまいります。製品に関するお問い合わせやご相談は随時承っておりますので、革新的なプロジェクトの実現に向けて、ぜひお気軽にご連絡ください。



CONTACT
藤倉コンポジットは製品を安心してご使用頂く為に
迅速かつ的確なサポートを目指しています。
メールでのサポート
お問い合わせフォーム