【バックナンバー】薄型エアベアリングシリンダ「ACS-20-5」のご紹介
- ニュースレター
ロッドガイド部にエアベアリングを採用した摺動抵抗ゼロ、超精密制御に最適なエアシリンダになります。藤倉コンポジットではエアベアリングシリンダ径4~63㎜、ストローク5~80㎜の製品レパートリーを有しております。
半導体製造装置等の高精度での押し圧制御が必要な用途に適しており、多数の実績を有しております。
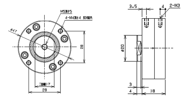
ロッド先端までわずか22mmという驚異的な薄さを実現し、さらに製品外径47mmという小型モデルを提供しています。この画期的なサイズにより、「ACS-20-5」は装置の省スペース化、小型化、軽量化に最適なソリューションとなります。

半導体製造装置、医療機器、精密測定機器など、高度な精密制御が求められる多様な分野で活躍します。極小サイズでありながら高い性能を発揮するので、装置の小型化と高精度化という、一見相反する要求を同時に満たすことができます。

CONTACT
藤倉コンポジットは製品を安心してご使用頂く為に
迅速かつ的確なサポートを目指しています。
メールでのサポート
お問い合わせフォーム