【バックナンバー】超小型エアベアリングシリンダ「ACS-4-5」のご紹介
- ニュースレター
このコラムの目次
ロッドガイド部にエアベアリングを採用した摺動抵抗ゼロ、超精密制御に最適なエアシリンダになります。藤倉コンポジットではシリンダ径10~100㎜、ストローク20~160㎜の製品レパートリーを有しております。
半導体製造装置等の高精度での押し圧制御が必要な用途に適しており、多数の実績を有しております。
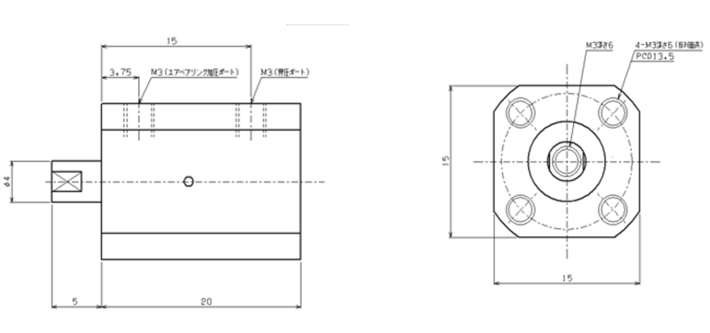
わずか15mm×15mm×25mmという驚異的なコンパクトサイズを実現しました。そのうえで、エアベアリング技術を駆使した非接触構造により、摩擦抵抗”0″の超精密制御を可能にしています。高精度な位置決めと滑らかな動作を両立し、精密制御が要求される現場に最適なソリューションを提供します。

「ACS-4-5」は、半導体製造装置、精密加工機、各種設備機器など、様々な産業分野で活躍できます。特に半導体製造装置や医療機器、光学機器調整、計測・分析機器など、高度な精密制御が求められる分野でも、その真価を発揮します。

CONTACT
藤倉コンポジットは製品を安心してご使用頂く為に
迅速かつ的確なサポートを目指しています。
メールでのサポート
お問い合わせフォーム