【バックナンバー】 精密減圧弁「RPシリーズ」と小型精密減圧弁「RP2シリーズ」のご紹介
- ニュースレター
このコラムの目次
今回は、高精度な圧力制御を実現する精密減圧弁「RPシリーズ」と、そのコンパクトモデルである「RP2シリーズ」について、その特長と活用方法をご紹介いたします。
RPシリーズは、繰り返し再現性±0.5% F.S.という高精度の空気圧制御を実現します。1次圧変動に対する出力圧変動も5kPa以内に抑えられており、安定した圧力制御が可能です。直動式のノンブリード・タイプを採用することで、直動式としては類を見ない精密な圧力設定を実現。ゼロからの圧力調整も可能であり、幅広い制御範囲に対応します。
特殊環境への対応も万全です。準標準仕様として、接ガス部にグリスを使用しない禁油仕様品を用意しております。さらに、アルミ合金(無電解Niメッキ)、ステンレス、フッ素ゴムで構成されたクリーン仕様品も取り揃えており、クリーンルームなどの特殊環境でも安心してご使用いただけます。
RP2シリーズは、小型化と高性能を両立させた画期的な製品です。従来の小型減圧弁と同等のサイズでありながら、精密減圧弁としての優れた圧力特性を備えています。設置場所を選ばないコンパクトな設計は、様々な機器への組み込みを容易にします。
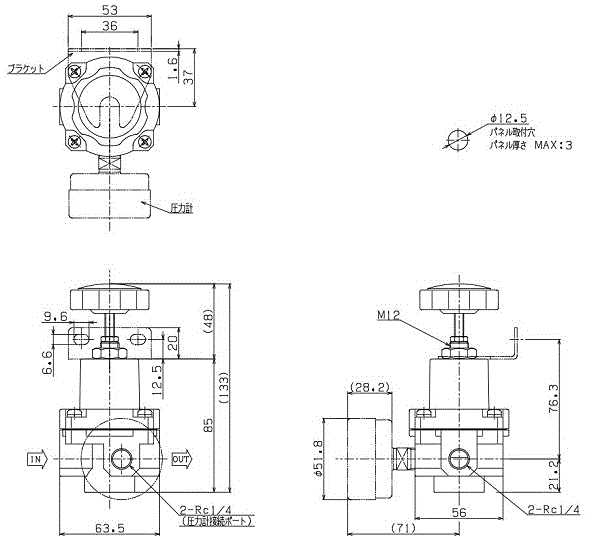
操作性にも優れており、プッシュロック式ノブを採用することで、手軽に設定圧力の固定が可能です。また、パネルマウントでの取り付けに加え、専用ブラケットを使用することで壁面への取り付けにも対応。設置環境に応じて柔軟な取り付け方法を選択できます。
半導体製造装置や医療機器、検査・測定装置など、高精度な圧力制御が求められる様々な分野で活用されています。特に、クリーンルーム内での使用や、安定した圧力制御が必要な製造プロセスにおいて、その真価を発揮します。
RPシリーズは、最高レベルの精度が要求される用途に最適です。一方、RP2シリーズは、設置スペースに制約がある場合や、よりコンパクトな機器への組み込みに適しています。両シリーズともに、クリーン仕様や禁油仕様をご用意しており、使用環境や用途に応じて最適な製品を選択いただけます。




CONTACT
藤倉コンポジットは製品を安心してご使用頂く為に
迅速かつ的確なサポートを目指しています。
メールでのサポート
お問い合わせフォーム