RP2シリーズ
RP2シリーズ
性能とサイズの両方を兼ね備えたレギュレータ。
特徴
- 性能とサイズの両方を兼ね備えた減圧弁
小型減圧弁並みのサイズでありながら精密減圧弁の圧力特性持つバランスの良い減圧弁です。 - プッシュロック式ノブ
圧力特性はプッシュロック式ノブの為、手軽に設定圧力の固定が可能です。 - 様々な取付けにも対応可能
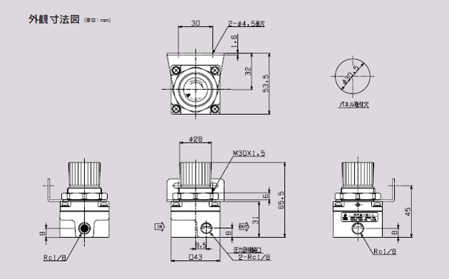
パネルマウントでの取付けの他、ブラケットによる壁面への取付けも可能です。
用途
- 小型で良好な圧力特性が必要な用途に最適です。
仕様
| リリーフ有り | RP2-0.5-1 | RP2-2-1 | RP2-5-1 |
|---|---|---|---|
| リリーフ無し | RP2・NR-0.5-1 | RP2・NR-2-1 | RP2・NR-5-1 |
| 使用流体 | 圧縮清浄空気 | ||
| 圧力設定範囲 MPa | 0.01~0.05 | 0.02~0.2 | 0.02~0.5 |
| 1次側圧力範囲 MPa | 1MAX | ||
| 繰り返し再現性 %F.S. | ±0.5以内 | ||
| 使用温度範囲 ℃ | 5~60 | ||
| 配管接続口径 Rc | 1/8 | ||
| 圧力計接続口径 Rc | 1/8 | ||
| フィルタ | 150メッシュ(INポート) | ||
| 取付パネル推奨厚 mm | 1.0~2.5 | ||
| 質量 kg | 0.17 | ||

型式表示方法

特性

外形寸法図

PRODUCT
同じカテゴリーの製品
CONTACT
お問い合わせ
藤倉コンポジットは製品を安心してご使用頂く為に
迅速かつ的確なサポートを目指しています。
-
お電話でのサポート
03-5747-9223受付時間:9:00-17:00(平日)
-
メールでのサポート
お問い合わせフォーム