RG2シリーズ

RG2シリーズ

  • 医療

質量33gで高性能。酸素濃縮装置等で活躍しているレギュレータ。

特徴

  • 小型・軽量
    質量33gと小型、軽量です。
  • 優れた圧力特性
    流量5L/min以下の領域において優れた圧力特性を示します。
  • M5ポート接続
    市販のM5継手を接続可能で、接続部のリークがありません。

用途

  • 分析機器
  • 産業機器
  • 設備機器
  • 卓上装置

用途例を見る

一覧へ

仕様

RG2・NR-45-M5
使用液体圧縮清浄空気
圧力設定範囲 kPa45 MAX.
1次側圧力範囲 kPa200 MAX.
使用温度範囲 ℃5~50
配管接続口径 RcM5×0.8
重量 kg0.033

型式表示方法

特性

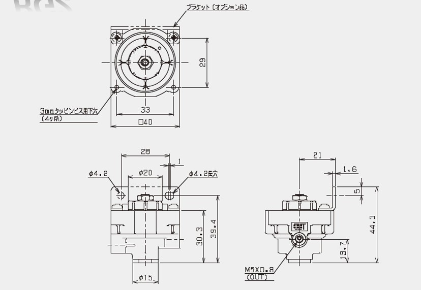
外形寸法図

CONTACT

お問い合わせ

藤倉コンポジットは製品を安心してご使用頂く為に
迅速かつ的確なサポートを目指しています。

製品カタログは
こちら

製品
カタログ