RG3シリーズ
RG3シリーズ
質量23gと小型・軽量化に特化したレギュレータ。
特徴
- 業界最小・最軽量クラスを実現
・親指程度のサイズであるため省スペース化が可能です
・樹脂製で超軽量の23g - 優れた圧力特性
・流量5L/min以下の領域において力を発揮します
用途
- 分析機器
- 産業機器
- 設備機器
- 卓上装置
仕様
| 使用液体 | 圧縮清浄空気 |
|---|---|
| 圧力設定範囲(kPa) | 50 MAX. |
| 1次側圧力範囲(kPa) | 200 MAX. |
| 使用温度範囲(℃) | 5~50 |
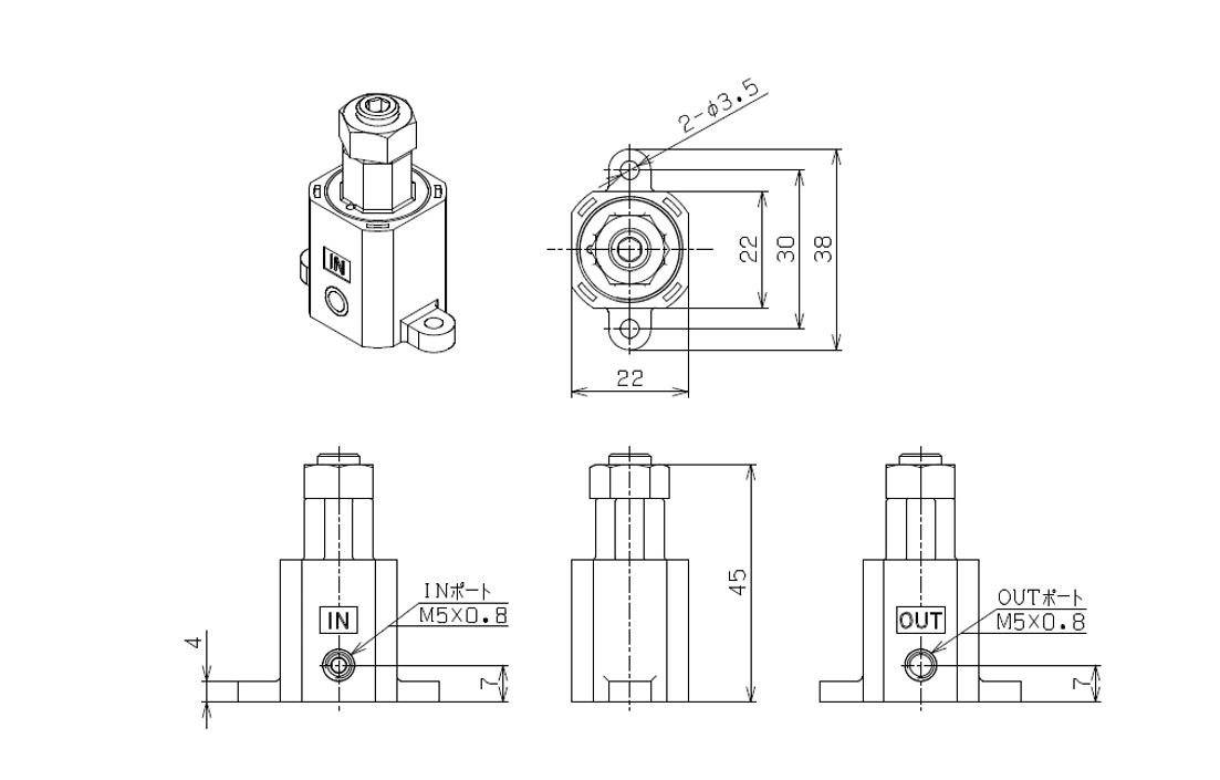
| 配管接続口径 | M5×0.8 |
| 質量(g) | 23 |
特性

外形寸法図

PRODUCT
同じカテゴリーの製品
CONTACT
お問い合わせ
藤倉コンポジットは製品を安心してご使用頂く為に
迅速かつ的確なサポートを目指しています。
-
メールでのサポート
お問い合わせフォーム