AC series (Ultra Compact Model)
AC series (Ultra Compact Model)
Ultra-compact, lightweight air cylinder with zero friction and zero wear
■Features
- Compact model measuring 15mm × 15mm × 25mm
- Lightweight model weighing 12g, with moving parts weighing 1.7g
- Air bearings are used in the rod guide section.
- Since the rod and guide do not come into contact, there is no frictional resistance, enabling ultra-precise pressure control. Additionally, there is no wear or dust generation. Since the rod and guide do not come into contact, there is no frictional resistance, enabling ultra-precise pressure control.
- Custom shapes are available.
■Use of example
- Achieve precision pressure control beyond conventional cylinders.
- Precision pressure control within semiconductor manufacturing equipment.

■Specifications
| Operating Type | Single-acting |
|---|---|
| Cylinder Diameter (inch) | 0.1575 |
| Working Fluid | Compressed clean air |
| Operating pressure range (psi) | 1.45~87 *1 |
| Operating Temperature Range ℃ | 0–60 (Do not allow freezing) |
| Effective Contact Area (in2) | 0.486 |
| Product Weight (g) | 12 |
| Moving Part Weight | 1.7 |
*1 Set the supply pressure to the air bearing to the operating pressure plus 50 kPa.
■Model
ACS-4-5
■Performance

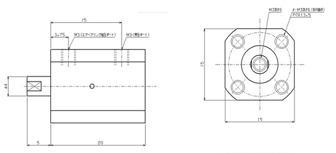
■Dimensions

PRODUCT
Products in the same category
-
AC series (Small Double-acting Air-Bearing Cylinder)
- Factory automation
Ultra-compact, lightweight double-acting model. Air cylinder with zero friction and zero wear
-
AC series (Thin size Airbearing Cylinder)
- Factory automation
Zero-friction, zero-wear air cylinders for slim-profile models
-
AC series
- Factory automation
Zero friction. Zero abrasion. The ultimate high-performance cylinder.
CONTACT
CONTACT US
Fujikura Composite aims to provide swift and precise support to ensure our customers can use our products with complete peace of mind.
-
Inquiry
Contact Us