AC series (Thin size Airbearing Cylinder)
AC series (Thin size Airbearing Cylinder)
Zero-friction, zero-wear air cylinders for slim-profile models
■Features
- Small and compact model
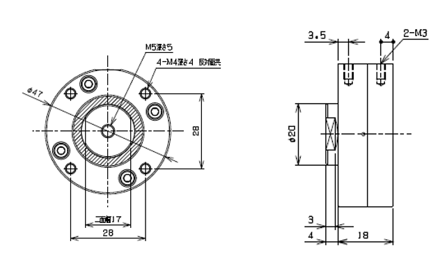
- Outline:47m×47mm×22mm
- Frictional resistanceis”0”
- Creates a non-contact structure and high performance power
■Use of example
- Precision pressure control that is impossible with conventional cylinders.
- Precision pressure control within semiconductor manufacturing equipment.

■Specification

■Performance

■Dimensions

PRODUCT
Products in the same category
-
AC series (Ultra Compact Model)
- Factory automation
Ultra-compact, lightweight air cylinder with zero friction and zero wear
-
AC series (Small Double-acting Air-Bearing Cylinder)
- Factory automation
Ultra-compact, lightweight double-acting model. Air cylinder with zero friction and zero wear
-
AC series
- Factory automation
Zero friction. Zero abrasion. The ultimate high-performance cylinder.
CONTACT
CONTACT US
Fujikura Composite aims to provide swift and precise support to ensure our customers can use our products with complete peace of mind.
-
Inquiry
Contact Us