ACシリーズ (標準品)
ACシリーズ (標準品)
摩擦抵抗ゼロ、摩耗ゼロ、超精密制御に最適なエアシリンダ
特徴
- ロッドガイド部にエアベアリングを採用。
- ロッドとガイドが非接触となるため、摩擦抵抗がなく超精密な押圧制御が可能。また、磨耗や発塵もありません。
- Φ190までの超大型タイプも製作可能(受注生産)
用途
- 従来のシリンダでは不可能な精密押圧制御。
- 印刷機やプラスチック生産設備の精密張力制御。
用途例を見る
一覧へ仕様
| 作動形式 | 単動押出形、複動系 |
|---|---|
| シリンダ経 mm | 10~100 |
| ストローク mm | 20~160 |
| 使用液体 | 圧縮清浄空気 |
| 使用圧力範囲 MPa | 0.01~0.6 *1 |
| 使用温度範囲 ℃ | 0~60(但し凍結不可) |
| 軸受方式 | 金属焼結体・カーボン |
*1:エアベアリングへの供給圧は使用圧力+50kPaとしてください。
型式表示方法

特性

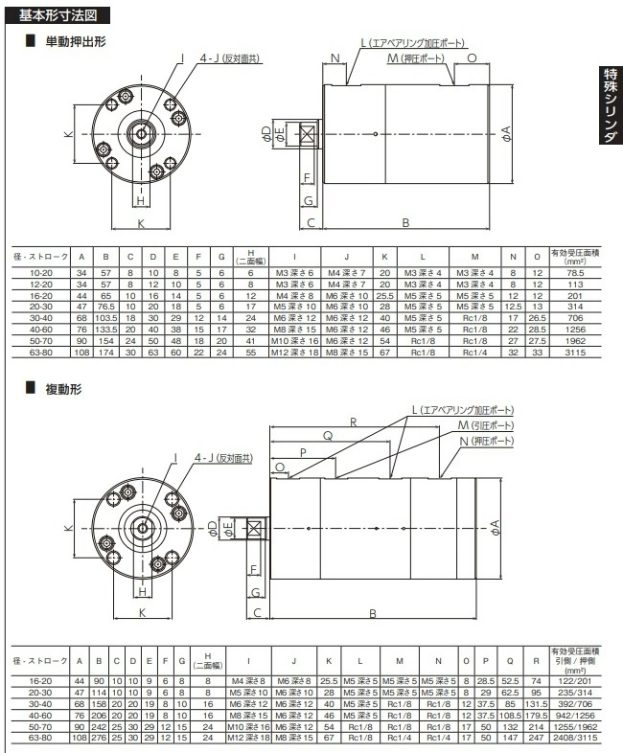
サイズ

PRODUCT
同じカテゴリーの製品
-
ACシリーズ (超小型)
- FA
超小型・軽量モデルの摩擦抵抗ゼロ、摩耗ゼロのエアシリンダ
-
ACシリーズ (超小型単動)
- FA
超小型・軽量タイプ 摩擦抵抗ゼロ、摩耗ゼロのエアシリンダ
-
ACシリーズ (超小型単動)
- FA
超小型・軽量タイプ 摩擦抵抗ゼロ、摩耗ゼロのエアシリンダ
-
ACシリーズ (超小型複動)
- FA
超小型・軽量の複動モデル。摩擦抵抗ゼロ、摩耗ゼロのエアシリンダ
-
ACシリーズ (ロッド回転拘束タイプ)
- FA
ロッド回転拘束型、摩擦抵抗ゼロ、摩耗ゼロのエアシリンダ
-
ACシリーズ (超小型複動)
- FA
超小型の複動モデル。摩擦抵抗ゼロ、摩耗ゼロのエアシリンダ
-
ACシリーズ (超薄型)
- FA
薄型モデルの摩擦抵抗ゼロ、摩耗ゼロのエアシリンダ
CONTACT
お問い合わせ
藤倉コンポジットは製品を安心してご使用頂く為に
迅速かつ的確なサポートを目指しています。
-
メールでのサポート
お問い合わせフォーム